Главная > Подшипники> Роликовые > Радиальные>NJ2313-E-TVP3+HJ2313-E

NJ2313-E-TVP3+HJ2313-E — Цилиндрический роликоподшипник, импортное производство по ISO стандарту, размер 65x140x48 номер основного исполнения 2313.
Производитель: NKE.
Однорядный цилиндрический роликоподшипник. Наружное кольцо имеет два борта, наружное — один борт.
E = Увеличенная грузоподъемность. TVP = (сегментная сепаратор, код P) = сплошная оконная сепаратор из армированного стекловолокном полиамида PA66. Катание на роликах.
Цена от:5 925 р.
Цена на подшипник зависит от:
| Обозначение | Модификация |
|---|---|
| 2313 | Основное конструктивное исполнение. |
| 2313S | S = смазочный паз и три отверстия в наружном кольце подшипника. |
| 2313K | К = Коническая посадка, конусность 1:12. |
| N 2313 | Однорядный цилиндрический роликоподшипник. Внутреннее кольцо подшипника имеет два борта, наружное — без бортов. |
| NH2313 | |
| NU2313 | Однорядный цилиндрический роликоподшипник. Наружное кольцо подшипника имеет два борта, а внутреннее кольцо бортов не имеет. |
| NJ2313 | Однорядный цилиндрический роликоподшипник. Наружное кольцо имеет два борта, наружное — один борт. |
| 2313SK | S = смазочная канавка и три отверстия в наружном кольце подшипника. K = коническое отверстие, конус 1:12. |
| RNH2313 | |
| NJ2313R | Однорядный цилиндрический роликоподшипник. Наружное кольцо имеет два борта, наружное — один борт. R = Наружное кольцо с фланцем . |
| 2313 C3 | C3 = Радиальный внутренний зазор больше нормального. |
| NU2313R | Однорядный цилиндрический роликоподшипник. Наружное кольцо подшипника имеет два борта, а внутреннее кольцо бортов не имеет. R = Наружное кольцо с фланцем . |
| 2313G15 | G15 = Формованная литьевая клетка из армированного стекловолокном полиамида 6,6, с вращающимся элементом по центру. |
| NUP2313 | Однорядный цилиндрический роликоподшипник. Наружное кольцо имеет два борта, внутреннее — один борт и одно свободное фланцевое кольцо. Основные размеры по DIN 5412-1, относится к подтипу фиксированные подшипники, разъемные, с сепаратором. |
| NUP2313R | Однорядный цилиндрический роликоподшипник. Наружное кольцо имеет два борта, внутреннее — один борт и одно свободное фланцевое кольцо. Основные размеры по DIN 5412-1, относится к подтипу фиксированные подшипники, разъемные, с сепаратором. R = Наружное кольцо с фланцем . |
| NH2313 E | Е = Увеличенная грузоподъемность. |
| 2313 TVH | TV = Твердая клетка из армированного стекловолокном полиамида, шариковая езда. |
| NU2313EM | Однорядный цилиндрический роликоподшипник. Наружное кольцо подшипника имеет два борта, а внутреннее кольцо бортов не имеет. E = Увеличенная грузоподъемность. М = Механически обработанный латунный сепаратор, центрируемый по роликам. |
| 2313-2RS | Резиновые уплотнения с каждой стороны подшипника. |
| 2313KG15 | G15 = Формованная литьевая клетка из армированного стекловолокном полиамида 6,6, с вращающимся элементом по центру. |
| NJ 2313 E | Однорядный цилиндрический роликоподшипник. Наружное кольцо имеет два борта, наружное — один борт. Е = Увеличенная грузоподъемность. |
| NJ2313 EM | Однорядный цилиндрический роликоподшипник. Наружное кольцо имеет два борта, наружное — один борт. E = Увеличенная грузоподъемность. М = Механически обработанный латунный сепаратор, центрируемый по роликам. |
| NJ2313-VH | Однорядный цилиндрический роликоподшипник. Наружное кольцо имеет два борта, наружное — один борт. V = Увеличенная грузоподъемность, внутренняя модификация конструкции. |
| NJ2313 ET | Однорядный цилиндрический роликоподшипник. Наружное кольцо имеет два борта, наружное — один борт. E = Увеличенная грузоподъемность. T = Клетка из армированного стекловолокном полиамида. |
| NJF2313 V | V = Увеличенная грузоподъемность, внутренняя модификация конструкции. |
| 2313 K.C3 | K = коническое отверстие, конус 1:12. C3 = Радиальный внутренний зазор подшипника больше, чем обычно. |
| NU 2313 E | Однорядный цилиндрический роликоподшипник. Наружное кольцо подшипника имеет два борта, а внутреннее кольцо бортов не имеет. Е = Увеличенная грузоподъемность. |
| NU2313 ET | Однорядный цилиндрический роликоподшипник. Наружное кольцо подшипника имеет два борта, а внутреннее кольцо бортов не имеет. E = Увеличенная грузоподъемность. T = Клетка из армированного стекловолокном полиамида. |
| RUS2313ED2 | D = профиль наружного кольца, усовершенствованный, с увеличенной зоной несущей нагрузки и оптимизированными краевыми переходами. |
| NJ2313EG15 | Однорядный цилиндрический роликоподшипник. Наружное кольцо имеет два борта, наружное — один борт. E = Увеличенная грузоподъемность. G15 = Формованная литьевая клетка из армированного стекловолокном полиамида 6,6, с вращающимся элементом по центру. |
| NJ2313 EMA | Однорядный цилиндрический роликоподшипник. Наружное кольцо имеет два борта, наружное — один борт. E = d ≤65 мм,два стальных сепаратора оконного типа, внутреннее кольцо без фланца и направляющая по центру внутреннего кольца. MA = массивный латунный сепаратор, центрирование по наружному кольцу. |
| NU2313EG15 | Однорядный цилиндрический роликоподшипник. Наружное кольцо подшипника имеет два борта, а внутреннее кольцо бортов не имеет. E = Увеличенная грузоподъемность. G15 = Формованная литьевая клетка из армированного стекловолокном полиамида 6,6, с вращающимся элементом по центру. |
| NUP 2313 E | Однорядный цилиндрический роликоподшипник. Наружное кольцо имеет два борта, внутреннее — один борт и одно свободное фланцевое кольцо. Основные размеры по DIN 5412-1, относится к подтипу фиксированные подшипники, разъемные, с сепаратором. Е = Увеличенная грузоподъемность. |
| NUP2313 ET | Однорядный цилиндрический роликоподшипник. Наружное кольцо имеет два борта, внутреннее — один борт и одно свободное фланцевое кольцо. Основные размеры по DIN 5412-1, относится к подтипу фиксированные подшипники, разъемные, с сепаратором. E = Увеличенная грузоподъемность. T = Клетка из армированного стекловолокном полиамида. |
| NU2313 E.M1 | Однорядный цилиндрический роликоподшипник. Наружное кольцо подшипника имеет два борта, а внутреннее кольцо бортов не имеет. E = Увеличенная грузоподъемность. М = Механически обработанный латунный сепаратор, центрируемый по роликам. |
| NU2313 E.M6 | Однорядный цилиндрический роликоподшипник. Наружное кольцо подшипника имеет два борта, а внутреннее кольцо бортов не имеет. E = Увеличенная грузоподъемность. М = Механически обработанный латунный сепаратор, центрируемый по роликам. |
| NJ2313 E.M1 | Однорядный цилиндрический роликоподшипник. Наружное кольцо имеет два борта, наружное — один борт. E = Увеличенная грузоподъемность. М = Механически обработанный латунный сепаратор, центрируемый по роликам. |
| NUP2313 ECP | Однорядный цилиндрический роликоподшипник. Наружное кольцо имеет два борта, внутреннее — один борт и одно свободное фланцевое кольцо. Основные размеры по DIN 5412-1, относится к подтипу фиксированные подшипники, разъемные, с сепаратором. ЕС = эксцентриковый фиксатор воротника с утопленным внутренним кольцом на одной стороне. |
| NJ 2313 ECP | Однорядный цилиндрический роликоподшипник. Наружное кольцо имеет два борта, наружное — один борт. ЕС = эксцентриковый фиксатор воротника с утопленным внутренним кольцом на одной стороне. |
| NJ2313-E-M6 | Однорядный цилиндрический роликоподшипник. Наружное кольцо имеет два борта, наружное — один борт. E = Увеличенная грузоподъемность. М = Механически обработанный латунный сепаратор, центрируемый по роликам. |
| NU 2313 ECP | Однорядный цилиндрический роликоподшипник. Наружное кольцо подшипника имеет два борта, а внутреннее кольцо бортов не имеет. ЕС = эксцентриковый фиксатор воротника с утопленным внутренним кольцом на одной стороне. |
| NJG 2313 VH | V = Увеличенная грузоподъемность, внутренняя модификация конструкции. |
| UK213+H2313 | H = высокая, узкая каретка для двухрядного шарикоподшипника и направляющей в сборе. |
| UKX13+H2313 | H = высокая, узкая каретка для двухрядного шарикоподшипника и направляющей в сборе. |
| UK313+H2313 | H = высокая, узкая каретка для двухрядного шарикоподшипника и направляющей в сборе. |
| NJ2313-E-MA6 | Однорядный цилиндрический роликоподшипник. Наружное кольцо имеет два борта, наружное — один борт. E = d ≤65 мм,два стальных сепаратора оконного типа, внутреннее кольцо без фланца и направляющая по центру внутреннего кольца. MA = массивный латунный сепаратор, центрирование по наружному кольцу. |
| NJ2313-E-MPA | Однорядный цилиндрический роликоподшипник. Наружное кольцо имеет два борта, наружное — один борт. MPA = Механически обработанный латунный сепаратор. |
| NJ 2313 ECPH | Однорядный цилиндрический роликоподшипник. Наружное кольцо имеет два борта, наружное — один борт. ЕС = эксцентриковый фиксатор воротника с утопленным внутренним кольцом на одной стороне. |
| NJ 2313 ECML | Однорядный цилиндрический роликоподшипник. Наружное кольцо имеет два борта, наружное — один борт. EC = Оптимизированная внутренняя конструкция, включающая больше и / или более крупные ролики и с модифицированным контактом ролика / концевого фланца. ML = монолитная латунная клетка оконного типа, центрированная по центру или наружному кольцу. |
| NU 2313 ECML | Однорядный цилиндрический роликоподшипник. Наружное кольцо подшипника имеет два борта, а внутреннее кольцо бортов не имеет. EC = Оптимизированная внутренняя конструкция, включающая больше и / или более крупные ролики и с модифицированным контактом ролика / концевого фланца. ML = монолитная латунная клетка оконного типа, центрированная по центру или наружному кольцу. |
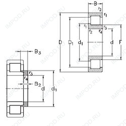
Габаритные размеры
Размеры и геометрические характеристики
Нагрузка и ресурс
Защита
Присоединительные размеры
Конструкция и исполнение
Подшипник роликовый сферический 22313 (FBJ, IBC, ISB)
Подшипник роликовый радиальный с короткими цилиндрическими роликами без бортов на внутреннем кольце 32613 (ГПЗ-1)
Подшипник роликовый радиальный с короткими цилиндрическими роликами с однобортовым внутренним кольцом 42613
Подшипник роликовый сферический 22313 CJ.W33 (IBC)