Главная > Подшипники> Роликовые > Радиальные>NJ2207-E-TVP3+HJ2207-E

NJ2207-E-TVP3+HJ2207-E — Цилиндрический роликоподшипник, импортное производство по ISO стандарту номер основного исполнения 2207.
Производитель: NKE.
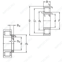
Однорядный цилиндрический роликоподшипник. Наружное кольцо имеет два борта, наружное — один борт.
E = Увеличенная грузоподъемность. TVP = (сегментная сепаратор, код P) = сплошная оконная сепаратор из армированного стекловолокном полиамида PA66. Катание на роликах.
Цена от:986 р.
Цена на подшипник зависит от:
| Обозначение | Модификация |
|---|---|
| 2207 | Основное конструктивное исполнение. |
| 2207S | S = смазочный паз и три отверстия в наружном кольце подшипника. |
| S2207 | |
| NJ2207 | Однорядный цилиндрический роликоподшипник. Наружное кольцо имеет два борта, наружное — один борт. |
| NU2207 | Однорядный цилиндрический роликоподшипник. Наружное кольцо подшипника имеет два борта, а внутреннее кольцо бортов не имеет. |
| NA2207 | |
| 2207SK | S = смазочная канавка и три отверстия в наружном кольце подшипника. K = коническое отверстие, конус 1:12. |
| N 2207 | Однорядный цилиндрический роликоподшипник. Внутреннее кольцо подшипника имеет два борта, наружное — без бортов. |
| N2207E | Однорядный цилиндрический роликоподшипник. Внутреннее кольцо подшипника имеет два борта, наружное — без бортов. Е = Увеличенная грузоподъемность. |
| NH2207 | |
| 2207-K | К = Коническая посадка, конусность 1:12. |
| NUP2207 | Однорядный цилиндрический роликоподшипник. Наружное кольцо имеет два борта, внутреннее — один борт и одно свободное фланцевое кольцо. Основные размеры по DIN 5412-1, относится к подтипу фиксированные подшипники, разъемные, с сепаратором. |
| NJ2207R | Однорядный цилиндрический роликоподшипник. Наружное кольцо имеет два борта, наружное — один борт. R = Наружное кольцо с фланцем . |
| NU2207E | Однорядный цилиндрический роликоподшипник. Наружное кольцо подшипника имеет два борта, а внутреннее кольцо бортов не имеет. Е = Увеличенная грузоподъемность. |
| NU2207R | Однорядный цилиндрический роликоподшипник. Наружное кольцо подшипника имеет два борта, а внутреннее кольцо бортов не имеет. R = Наружное кольцо с фланцем . |
| C2207KV | Тороидальные подшипники CARB. К = Коническая посадка, конусность 1:12. |
| RUS2207 | |
| 2207 TN9 | TN = Полиамидная клетка. |
| NJ2207EG | Однорядный цилиндрический роликоподшипник. Наружное кольцо имеет два борта, наружное — один борт. G = Однорядный радиально-упорный шарикоподшипник для универсального парного монтажа. Два подшипника, установленные по 0-образной или Х-образной схеме, будут иметь определенный осевой зазор в домонтажном состоянии. |
| NU2207EG | Однорядный цилиндрический роликоподшипник. Наружное кольцо подшипника имеет два борта, а внутреннее кольцо бортов не имеет. G = Однорядный радиально-упорный шарикоподшипник для универсального парного монтажа. Два подшипника, установленные по 0-образной или Х-образной схеме, будут иметь определенный осевой зазор в домонтажном состоянии. |
| NU2207FM | Однорядный цилиндрический роликоподшипник. Наружное кольцо подшипника имеет два борта, а внутреннее кольцо бортов не имеет. F = Механически обработанный сепаратор из стали или чугуна, центрируемый по телам качения. M = Механически обработанный латунный сепаратор, центрируемый по телам качения. |
| 2207 TVH | TV = Твердая клетка из армированного стекловолокном полиамида, шариковая езда. |
| C 2207 V | Тороидальные подшипники CARB. V = Увеличенная грузоподъемность, внутренняя модификация конструкции. |
| NUP2207R | Однорядный цилиндрический роликоподшипник. Наружное кольцо имеет два борта, внутреннее — один борт и одно свободное фланцевое кольцо. Основные размеры по DIN 5412-1, относится к подтипу фиксированные подшипники, разъемные, с сепаратором. R = Наружное кольцо с фланцем . |
| 2207-2RS | Резиновые уплотнения с каждой стороны подшипника. |
| NH2207 E | Е = Увеличенная грузоподъемность. |
| NJ2207 E | Однорядный цилиндрический роликоподшипник. Наружное кольцо имеет два борта, наружное — один борт. Е = Увеличенная грузоподъемность. |
| NA2207XLL | Игольчатый роликоподшипник с размерами по ISO 15. LL (Сегментное уплотнение, код 2RU) = Лабиринтные уплотнения на обеих сторонах (Уплотнение L = типа = все части уплотнения L = типа покрыты цинком на всех сторонах для улучшения защиты от коррозии = без трения уплотнения). |
| NJ2207 ET | Однорядный цилиндрический роликоподшипник. Наружное кольцо имеет два борта, наружное — один борт. E = Увеличенная грузоподъемность. T = Клетка из армированного стекловолокном полиамида. |
| 2207 2RSK | Резиновые уплотнения с каждой стороны подшипника. |
| 2207 KTN9 | K = коническое отверстие, конус 1:12. T = Литая защелкивающаяся сепаратор из армированного стекловолокном полиамида. |
| 2207 ETN9 | E = Оптимизированный внутренний дизайн. TN9 = литая защелкивающаяся клетка из полиамида 6,6, армированного стекловолокном, с шариковой центрировкой. |
| NU2207 ET | Однорядный цилиндрический роликоподшипник. Наружное кольцо подшипника имеет два борта, а внутреннее кольцо бортов не имеет. E = Увеличенная грузоподъемность. T = Клетка из армированного стекловолокном полиамида. |
| 2207EEG15 | E = Увеличенная грузоподъемность. G15 = Формованная литьевая клетка из армированного стекловолокном полиамида 6,6, с вращающимся элементом по центру. |
| S2207-2RS | Резиновые уплотнения с каждой стороны подшипника. |
| NUP2207 E | Однорядный цилиндрический роликоподшипник. Наружное кольцо имеет два борта, внутреннее — один борт и одно свободное фланцевое кольцо. Основные размеры по DIN 5412-1, относится к подтипу фиксированные подшипники, разъемные, с сепаратором. Е = Увеличенная грузоподъемность. |
| C2207KTN9 | Тороидальные подшипники CARB. K = коническое отверстие, конус 1:12. T = Литая защелкивающаяся сепаратор из армированного стекловолокном полиамида. |
| NUP2207EG | Однорядный цилиндрический роликоподшипник. Наружное кольцо имеет два борта, внутреннее — один борт и одно свободное фланцевое кольцо. Основные размеры по DIN 5412-1, относится к подтипу фиксированные подшипники, разъемные, с сепаратором. G = Однорядный радиально-упорный шарикоподшипник для универсального парного монтажа. Два подшипника, установленные по 0-образной или Х-образной схеме, будут иметь определенный осевой зазор в домонтажном состоянии. |
| NCF2207 V | Однорядный бессепараторный цилиндрический роликоподшипник. Два борта на внутреннем кольце и один борт на наружном. V = Увеличенная грузоподъемность, внутренняя модификация конструкции. |
| NJ2207 EN | Однорядный цилиндрический роликоподшипник. Наружное кольцо имеет два борта, наружное — один борт. Е = Увеличенная грузоподъемность. |
| NJ2207 EMA | Однорядный цилиндрический роликоподшипник. Наружное кольцо имеет два борта, наружное — один борт. E = d ≤65 мм,два стальных сепаратора оконного типа, внутреннее кольцо без фланца и направляющая по центру внутреннего кольца. MA = массивный латунный сепаратор, центрирование по наружному кольцу. |
| 2207 EKTN9 | E = Увеличенная грузоподъемность. K = коническое отверстие, конус 1:12. TN9 = литая защелкивающаяся клетка из полиамида 6,6, армированного стекловолокном, с шариковой центрировкой. |
| NJ2207 EAP | Однорядный цилиндрический роликоподшипник. Наружное кольцо имеет два борта, наружное — один борт. A = внутренняя модификация конструкции. |
| NJ2207 EJL | Однорядный цилиндрический роликоподшипник. Наружное кольцо имеет два борта, наружное — один борт. EJ = стальной сепаратор. |
| NJ2207EG15 | Однорядный цилиндрический роликоподшипник. Наружное кольцо имеет два борта, наружное — один борт. E = Увеличенная грузоподъемность. G15 = Формованная литьевая клетка из армированного стекловолокном полиамида 6,6, с вращающимся элементом по центру. |
| 2207-K-2RS | Резиновые уплотнения с каждой стороны подшипника. |
| NU2207EG15 | Однорядный цилиндрический роликоподшипник. Наружное кольцо подшипника имеет два борта, а внутреннее кольцо бортов не имеет. E = Увеличенная грузоподъемность. G15 = Формованная литьевая клетка из армированного стекловолокном полиамида 6,6, с вращающимся элементом по центру. |
| NA2207 2RS | Игольчатый роликоподшипник с размерами по ISO 15. Резиновые уплотнения с каждой стороны подшипника. |
| 2207KEEG15 | E = Увеличенная грузоподъемность. G15 = Формованная литьевая клетка из армированного стекловолокном полиамида 6,6, с вращающимся элементом по центру. |
| NUP2207 ET | Однорядный цилиндрический роликоподшипник. Наружное кольцо имеет два борта, внутреннее — один борт и одно свободное фланцевое кольцо. Основные размеры по DIN 5412-1, относится к подтипу фиксированные подшипники, разъемные, с сепаратором. E = Увеличенная грузоподъемность. T = Клетка из армированного стекловолокном полиамида. |
Габаритные размеры
Нагрузка и ресурс
Радиальный шарикоподшипник M6207ZZ (KOYO)
Радиальный шарикоподшипник M6207 (KOYO)
Подшипник для корпуса MUC207 (NACHI)
Радиальный шарикоподшипник NA207-3L (PFI)
Радиальный шарикоподшипник NC6207 (KOYO)
Радиальный шарикоподшипник P6207-GB (ZEN)