Главная > Подшипники> Шариковые> Упорные>NJ 2992 ECMA

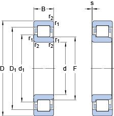
NJ 2992 ECMA — Однорядный цилиндрический роликоподшипник, импортное производство по ISO стандарту, размер 620x460x95 номер основного исполнения NJ2992.
Производитель: SKF.
Однорядный цилиндрический роликоподшипник. Наружное кольцо имеет два борта, наружное — один борт.
EC = эксцентриковый фиксатор воротника с утопленным внутренним кольцом на одной стороне. MA = массивный латунный сепаратор, центрирование по наружному кольцу.
Цена по запросу
Цена на подшипник зависит от:
| Обозначение | Модификация |
|---|---|
| NJ2992 | Основное конструктивное исполнение. |
Габаритные размеры
Размеры и геометрические характеристики
Нагрузка и ресурс
Коэффициенты для расчета
Присоединительные размеры
Прочие характеристики