Главная > Подшипники> Шариковые> Упорные>NJ 2968 ECMA

NJ 2968 ECMA — Однорядный цилиндрический роликоподшипник, импортное производство по ISO стандарту, размер 460x340x72 номер основного исполнения NJ2968.
Производитель: SKF.
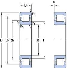
Однорядный цилиндрический роликоподшипник. Наружное кольцо имеет два борта, наружное — один борт.
EC = эксцентриковый фиксатор воротника с утопленным внутренним кольцом на одной стороне. MA = массивный латунный сепаратор, центрирование по наружному кольцу.
Цена по запросу
Цена на подшипник зависит от:
| Обозначение | Модификация |
|---|---|
| NJ2968 | Основное конструктивное исполнение. |
Габаритные размеры
Размеры и геометрические характеристики
Нагрузка и ресурс
Коэффициенты для расчета
Присоединительные размеры
Прочие характеристики