Главная > Подшипники> Шариковые> Упорные>NJ 2332 ECML

NJ 2332 ECML — Однорядный цилиндрический роликовый подшипник, импортное производство по ISO стандарту, размер 340x160x114 номер основного исполнения NJ2332.
Производитель: SKF.
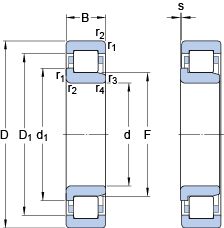
Однорядный цилиндрический роликоподшипник. Наружное кольцо имеет два борта, наружное — один борт.
EC = Оптимизированная внутренняя конструкция, включающая больше и / или более крупные ролики и с модифицированным контактом ролика / концевого фланца. ML = монолитная латунная клетка оконного типа, центрированная по центру или наружному кольцу.
Цена от:77 842 р.
Цена на подшипник зависит от:
Габаритные размеры
Размеры и геометрические характеристики
Нагрузка и ресурс
Коэффициенты для расчета
Присоединительные размеры
Прочие характеристики
Подшипник роликовый сферический 22332 CCJA.W33VA405 (FAG, SKF)
Подшипник роликовый сферический 22332 CCKJA.W33VA405 (FAG, SKF)
Цилиндрический роликоподшипник повышенной грузоподъёмности NCF 2332 ECJB/PEX (SKF)
Подшипник роликовый сферический 22332-2CS5K/VT143 (SKF)
Подшипник роликовый сферический 22332 CCJA/W33VA406 (SKF)
Однорядный цилиндрический роликовый подшипник NU 2332 ECML (SKF)