Главная > Подшипники> Шариковые> Упорные>NJ 2330 ECML

NJ 2330 ECML — Однорядный цилиндрический роликоподшипник, импортное производство по ISO стандарту, размер 320x150x108 номер основного исполнения NJ2330.
Производитель: SKF.
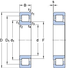
Однорядный цилиндрический роликоподшипник. Наружное кольцо имеет два борта, наружное — один борт.
EC = Оптимизированная внутренняя конструкция, включающая больше и / или более крупные ролики и с модифицированным контактом ролика / концевого фланца. ML = монолитная латунная клетка оконного типа, центрированная по центру или наружному кольцу.
Цена от:66 699 р.
Цена на подшипник зависит от:
Габаритные размеры
Размеры и геометрические характеристики
Нагрузка и ресурс
Коэффициенты для расчета
Присоединительные размеры
Прочие характеристики
Подшипник роликовый сферический 22330 CCJA.W33VA405 (FAG, SKF)
Цилиндрический роликоподшипник повышенной грузоподъёмности NCF 2330 ECJB (SKF)
Подшипник роликовый сферический 22330-2CS5K/VT143 (SKF)
Подшипник роликовый сферический 22330-2CS5/VT143 (SKF)
Подшипник роликовый сферический 22330 CCJA/W33VA406 (SKF)
Однорядный цилиндрический роликоподшипник NU 2330 ECML (SKF)