Главная > Подшипники> Шариковые> Упорные>NJ 2306 ECPH

NJ 2306 ECPH — Однорядный цилиндрический роликоподшипник, импортное производство по ISO стандарту, размер 72x30x27 номер основного исполнения NJ2306.
Производитель: SKF.
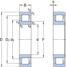
Однорядный цилиндрический роликоподшипник. Наружное кольцо имеет два борта, наружное — один борт.
ЕС = эксцентриковый фиксатор воротника с утопленным внутренним кольцом на одной стороне.
Цена от:1 005 р.
Цена на подшипник зависит от:
Габаритные размеры
Размеры и геометрические характеристики
Нагрузка и ресурс
Коэффициенты для расчета
Присоединительные размеры
Прочие характеристики
Однорядный цилиндрический роликовый подшипник NUP2306 ECP (FAG, SKF)
Подшипник однорядный шариковый радиальный 62306-2RS1 (SKF)
Самоустанавливающиеся шарикоподшипник с цилиндрическими и коническими отверстиями 2306 E-2RS1KTN9 (SKF)
Однорядный цилиндрический роликоподшипник NU 2306 ECML (SKF)
Однорядный цилиндрический роликоподшипник NU 2306 ECPH (SKF)
Однорядный цилиндрический роликовый подшипник NU 2306 ECP (SKF)