Главная > Подшипники> Шариковые> Упорные>NJ 2264 ECMA

NJ 2264 ECMA — Однорядный цилиндрический роликоподшипник, импортное производство по ISO стандарту, размер 580x320x150 номер основного исполнения NJ2264.
Производитель: SKF.
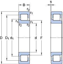
Однорядный цилиндрический роликоподшипник. Наружное кольцо имеет два борта, наружное — один борт.
EC = эксцентриковый фиксатор воротника с утопленным внутренним кольцом на одной стороне. MA = массивный латунный сепаратор, центрирование по наружному кольцу.
Цена от:299 900 р.
Цена на подшипник зависит от:
Габаритные размеры
Размеры и геометрические характеристики
Нагрузка и ресурс
Коэффициенты для расчета
Присоединительные размеры
Прочие характеристики
Подшипник роликовый сферический 22264 CC/W33 (SKF)
Однорядный цилиндрический роликовый подшипник NU 2264 ECMA (SKF)