Главная > Подшипники> Шариковые> Упорные>NJ 2234 ECML

NJ 2234 ECML — Однорядный цилиндрический роликоподшипник, импортное производство по ISO стандарту, размер 310x170x86 номер основного исполнения NJ2234.
Производитель: SKF.
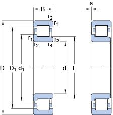
Однорядный цилиндрический роликоподшипник. Наружное кольцо имеет два борта, наружное — один борт.
EC = Оптимизированная внутренняя конструкция, включающая больше и / или более крупные ролики и с модифицированным контактом ролика / концевого фланца. ML = монолитная латунная клетка оконного типа, центрированная по центру или наружному кольцу.
Цена от:54 244 р.
Цена на подшипник зависит от:
Габаритные размеры
Размеры и геометрические характеристики
Нагрузка и ресурс
Коэффициенты для расчета
Присоединительные размеры
Прочие характеристики
Тороидальный роликоподшипник CARB® с цилиндрическими и коническими отверстиями C 2234 (SKF)
Цилиндрический роликоподшипник повышенной грузоподъёмности NCF 2234 ECJB (SKF)
Подшипник роликовый сферический 22234 CC/W33 (SKF)
Подшипник роликовый сферический 22234-2CS5/VT143 (SKF)
Однорядный цилиндрический роликоподшипник NU 2234 ECML (SKF)
Подшипник роликовый сферический 22234 CCK/W33 (SKF)