Главная > Подшипники> Шариковые> Упорные>NJ 212 ECM

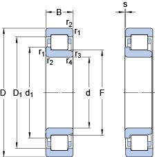
NJ 212 ECM — Однорядный цилиндрический роликовый подшипник, импортное производство по ISO стандарту, размер 110x60x22 номер основного исполнения 212.
Производитель: SKF.
Однорядный цилиндрический роликоподшипник. Наружное кольцо имеет два борта, наружное — один борт.
EC = Оптимизированная внутренняя конструкция, включающая больше и / или более крупные ролики и с модифицированным контактом ролика / концевого фланца. M = Механически обработанный латунный сепаратор, центрируемый по роликам.
Цена от:2 723 р.
Цена на подшипник зависит от:
| Обозначение | Модификация |
|---|---|
| Q212 | |
| N212 | Однорядный цилиндрический роликоподшипник. Внутреннее кольцо подшипника имеет два борта, наружное — без бортов. |
| FD212 | |
| NA212 | Игольчатый роликоподшипник с размерами по ISO 15. |
| SA212 | |
| SB212 | |
| UC212 | |
| NH212 | |
| B 212 | |
| NJ212 | |
| NU212 | Однорядный цилиндрический роликоподшипник. Наружное кольцо подшипника имеет два борта, а внутреннее кольцо бортов не имеет. |
| CS212 | |
| UK212 | |
| ER212 | |
| US212 | |
| QJ212 | Шарикоподшипник с четырехточечным контактом. |
| ES212 | |
| EX212 | |
| N212 E | Однорядный цилиндрический роликоподшипник. Внутреннее кольцо подшипника имеет два борта, наружное — без бортов. Е = Увеличенная грузоподъемность. |
| SUC212 | Вкладыш из нержавеющей стали для термопластичного подшипникового узла, внутреннее кольцо расширено с обеих сторон, крепится на вал с помощью винтов, уплотнения с обеих сторон. |
| NF 212 | Внутреннем кольце с двойным фланцем, внешнее с одним. |
| QJF212 | |
| BL 212 | |
| RUS212 | |
| NJ212R | Однорядный цилиндрический роликоподшипник. Наружное кольцо имеет два борта, наружное — один борт. R = Наружное кольцо с фланцем . |
| NJK212 | |
| NP 212 | |
| NUP212 | Однорядный цилиндрический роликоподшипник. Наружное кольцо имеет два борта, внутреннее — один борт и одно свободное фланцевое кольцо. Основные размеры по DIN 5412-1, относится к подтипу фиксированные подшипники, разъемные, с сепаратором. |
| NU212R | Однорядный цилиндрический роликоподшипник. Наружное кольцо подшипника имеет два борта, а внутреннее кольцо бортов не имеет. R = Наружное кольцо с фланцем . |
| NF212 E | Внутреннем кольце с двойным фланцем, внешнее с одним. Е = Увеличенная грузоподъемность. |
| NH212 E | Е = Увеличенная грузоподъемность. |
| QJ212C3 | Шарикоподшипник с четырехточечным контактом. C3 = Радиальный внутренний зазор больше нормального. |
| QJ212FM | Шарикоподшипник с четырехточечным контактом. F = Механически обработанный сепаратор из стали или чугуна, центрируемый по телам качения. M = Механически обработанный латунный сепаратор, центрируемый по телам качения. |
| UC212L3 | L = массивный сепаратор из лёгкого сплава. |
| NUP212R | Однорядный цилиндрический роликоподшипник. Наружное кольцо имеет два борта, внутреннее — один борт и одно свободное фланцевое кольцо. Основные размеры по DIN 5412-1, относится к подтипу фиксированные подшипники, разъемные, с сепаратором. R = Наружное кольцо с фланцем . |
| NJ212EM | Однорядный цилиндрический роликоподшипник. Наружное кольцо имеет два борта, наружное — один борт. E = Увеличенная грузоподъемность. М = Механически обработанный латунный сепаратор, центрируемый по роликам. |
| YET 212 | |
| RUS212E | Е = Увеличенная грузоподъемность. |
| UK212+H | H = высокая, узкая каретка для двухрядного шарикоподшипника и направляющей в сборе. |
| UK212L3 | L = массивный сепаратор из лёгкого сплава. |
| UK212D1 | D1 = (Смазка сегмента, код W33) = Смазочная канавка и три отверстия в наружном кольце подшипника. Начиная с = D320 Суффикс D1 не используется. |
| US212G2 | G2 = установка с нормальным преднатягом. |
| NP212 E | Е = Увеличенная грузоподъемность. |
| ES212G2 | G2 = установка с нормальным преднатягом. |
| EX212G2 | G2 = установка с нормальным преднатягом. |
| NU212EM | Однорядный цилиндрический роликоподшипник. Наружное кольцо подшипника имеет два борта, а внутреннее кольцо бортов не имеет. E = Увеличенная грузоподъемность. М = Механически обработанный латунный сепаратор, центрируемый по роликам. |
| BXRE212 | Е = Увеличенная грузоподъемность. |
| NA212-36 | Игольчатый роликоподшипник с размерами по ISO 15. |
| QJ212 MA | Шарикоподшипник с четырехточечным контактом. MA = Механически обработанный латунный сепаратор, центрируемый по наружному кольцу. |
| N212EG15 | Однорядный цилиндрический роликоподшипник. Внутреннее кольцо подшипника имеет два борта, наружное — без бортов. E = Увеличенная грузоподъемность. G15 = Формованная литьевая клетка из армированного стекловолокном полиамида 6,6, с вращающимся элементом по центру. |
Габаритные размеры
Размеры и геометрические характеристики
Нагрузка и ресурс
Коэффициенты для расчета
Присоединительные размеры
Прочие характеристики
Подшипник однорядный шариковый радиальный 6212 M (SKF)
Однорядный гибридный радиальный шарикоподшипник 6212-2RS1/HC5C3WT (SKF)
Подшипник однорядный шариковый радиальный 6212-2RS1 (SKF)
Подшипник однорядный шариковый радиальный 6212-2Z/VA208 (SKF)
Подшипник однорядный шариковый радиальный 6212-2Z/VA201 (SKF)
Подшипник однорядный шариковый радиальный 6212-RS1 (SKF)