Главная > Подшипники> Шариковые> Упорные>NJ 19/530 ECM/HB1

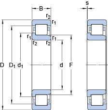
NJ 19/530 ECM/HB1 — Однорядный цилиндрический роликоподшипник, импортное производство по ISO стандарту, размер 710x530x82 номер основного исполнения .
Производитель: SKF.
Однорядный цилиндрический роликоподшипник. Наружное кольцо имеет два борта, наружное — один борт.
EC = Оптимизированная внутренняя конструкция, включающая больше и / или более крупные ролики и с модифицированным контактом ролика / концевого фланца. M = Механически обработанный латунный сепаратор, центрируемый по роликам.
Цена по запросу
Цена на подшипник зависит от:
Габаритные размеры
Размеры и геометрические характеристики
Нагрузка и ресурс
Коэффициенты для расчета
Присоединительные размеры
Прочие характеристики