Главная > Подшипники> Шариковые> Упорные>NJ 18/560 ECMA

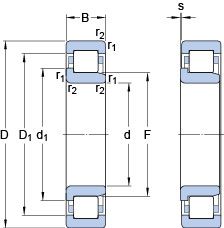
NJ 18/560 ECMA — Однорядный цилиндрический роликоподшипник, импортное производство по ISO стандарту, размер 680x560x56 номер основного исполнения .
Производитель: SKF.
Однорядный цилиндрический роликоподшипник. Наружное кольцо имеет два борта, наружное — один борт.
EC = эксцентриковый фиксатор воротника с утопленным внутренним кольцом на одной стороне. MA = массивный латунный сепаратор, центрирование по наружному кольцу.
Цена по запросу
Цена на подшипник зависит от:
Габаритные размеры
Размеры и геометрические характеристики
Нагрузка и ресурс
Коэффициенты для расчета
Присоединительные размеры
Прочие характеристики