Главная > Подшипники> Шариковые> Упорные>NJ 18/1320 ECMA

NJ 18/1320 ECMA — Однорядный цилиндрический роликоподшипник, импортное производство по ISO стандарту, размер 1600x1320x122 номер основного исполнения .
Производитель: SKF.
Однорядный цилиндрический роликоподшипник. Наружное кольцо имеет два борта, наружное — один борт.
EC = эксцентриковый фиксатор воротника с утопленным внутренним кольцом на одной стороне. MA = массивный латунный сепаратор, центрирование по наружному кольцу.
Цена по запросу
Цена на подшипник зависит от:
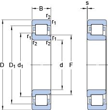
Габаритные размеры
Размеры и геометрические характеристики
Нагрузка и ресурс
Присоединительные размеры
Прочие характеристики