Главная > Подшипники> Роликовые > Радиальные>NJ 1096

NJ 1096 — Цилиндрический роликоподшипник, импортное производство по ISO стандарту, размер 480x700x100 номер основного исполнения NJ1096.
Производится брендами: CX, ISO, NACHI, NSK, NTN.
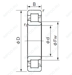
Однорядный цилиндрический роликоподшипник. Наружное кольцо имеет два борта, наружное — один борт.
Цена по запросу
Цена на подшипник зависит от:
Габаритные размеры
Размеры и геометрические характеристики
Нагрузка и ресурс
Защита
Конструкция и исполнение
Подшипник шариковый радиальный 196Л
Подшипник роликовый радиальный с короткими цилиндрическими роликами без бортов на наружном кольце 2196
Подшипник роликовый радиальный с короткими цилиндрическими роликами без бортов на внутреннем кольце 32196
Подшипник шариковый радиальный однорядный 6096 MB (ISB, SKF)
Подшипник однорядный шариковый радиальный 6096 (KOYO, NSK, NTN)
Подшипник однорядный шариковый радиальный 6096-M (NKE)