Главная > Подшипники> Роликовые > Радиальные>NJ 1072

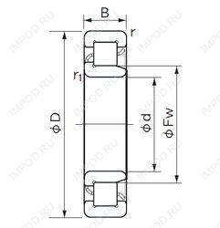
NJ 1072 — Цилиндрический роликоподшипник, импортное производство по ISO стандарту, размер 360x540x82 номер основного исполнения NJ1072.
Производится брендами: CX, ISO, NACHI, NTN.
Однорядный цилиндрический роликоподшипник. Наружное кольцо имеет два борта, наружное — один борт.
Цена по запросу
Цена на подшипник зависит от:
Габаритные размеры
Размеры и геометрические характеристики
Нагрузка и ресурс
Защита
Конструкция и исполнение
Подшипник шариковый радиальный однорядный 172
Подшипник шариковый радиальный однорядный 172 Л
Подшипник шариковый радиальный 6-172 Л (ГПЗ-1)
Подшипник шариковый радиальный однорядный 70-172 Л (ГПЗ-1)
Подшипник роликовый радиальный с короткими цилиндрическими роликами без бортов на наружном кольце 2172
Подшипник роликовый радиальный 232172 Л (ГПЗ-9)