Главная > Подшипники> Шариковые> Упорные>NJ 1068 MA

NJ 1068 MA — Однорядный цилиндрический роликоподшипник, импортное производство по ISO стандарту, размер 520x340x82 номер основного исполнения NJ1068.
Производитель: SKF.
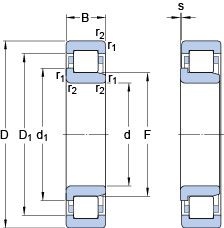
Однорядный цилиндрический роликоподшипник. Наружное кольцо имеет два борта, наружное — один борт.
MA = Механически обработанный латунный сепаратор, центрируемый по наружному кольцу.
Цена по запросу
Цена на подшипник зависит от:
| Обозначение | Модификация |
|---|---|
| NJ 1068 | Однорядный цилиндрический роликоподшипник. Наружное кольцо имеет два борта, наружное — один борт. |
Габаритные размеры
Размеры и геометрические характеристики
Нагрузка и ресурс
Коэффициенты для расчета
Присоединительные размеры
Прочие характеристики