Главная > Подшипники> Роликовые > Радиальные>NJ 1048

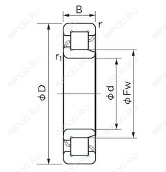
NJ 1048 — Цилиндрический роликоподшипник, импортное производство по ISO стандарту, размер 240x360x56 номер основного исполнения NJ1048.
Производится брендами: CX, ISO, NACHI, NSK, NTN.
Однорядный цилиндрический роликоподшипник. Наружное кольцо имеет два борта, наружное — один борт.
Цена от:32 874 р.
Цена на подшипник зависит от:
Габаритные размеры
Размеры и геометрические характеристики
Нагрузка и ресурс
Защита
Конструкция и исполнение
Однорядный цилиндрический роликовый подшипник NU1048 (CX, FAG, ISB, ISO, KOYO)
Подшипник шариковый однорядный радиально-упорный 7048 (FAG, KOYO, NTN)
Подшипник шариковый радиальный однорядный 148
Однорядный цилиндрический роликовый подшипник NU1048 M1 (FAG)
Однорядный цилиндрический роликовый подшипник NU1048 ML.C3 (FAG)