Главная > Подшипники> Роликовые > Радиальные>NJ 1044

NJ 1044 — Однорядный цилиндрический роликовый подшипник, импортное производство по ISO стандарту, размер 220x340x56 номер основного исполнения NJ1044.
Производится брендами: CX, ISO, NACHI, NSK, NTN.
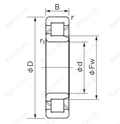
Однорядный цилиндрический роликоподшипник. Наружное кольцо имеет два борта, наружное — один борт.
Цена от:29 727 р.
Цена на подшипник зависит от:
| Обозначение | Модификация |
|---|---|
| NJ1044 M | Однорядный цилиндрический роликоподшипник. Наружное кольцо имеет два борта, наружное — один борт. M = массивный латунный сепаратор. |
| NJ 1044 ML | Однорядный цилиндрический роликоподшипник. Наружное кольцо имеет два борта, наружное — один борт. Механически обработанный латунный сепаратор оконного типа, центрируемый по внутреннему или наружному кольцу. |
Габаритные размеры
Размеры и геометрические характеристики
Нагрузка и ресурс
Защита
Конструкция и исполнение
Однорядный цилиндрический роликовый подшипник NU1044 (CX, FAG, ISB, ISO, KOYO)
Подшипник однорядный шариковый радиальный 6044 (CX, FAG, ISO, KOYO, NACHI)
Радиально-упорный шарикоподшипник 7044 (KOYO, NTN, SKF)
Подшипник шариковый радиальный однорядный 144 (ГПЗ-1)
Подшипник шариковый радиально-упорный однорядный с разъемным внутренним кольцом с четырехточечным контактом 176144
Подшипник роликовый радиальный с короткими цилиндрическими роликами без бортов на внутреннем кольце 32144