Главная > Подшипники> Роликовые > Радиальные>NJ 1038

NJ 1038 — Цилиндрический роликоподшипник, импортное производство по ISO стандарту, размер 190x290x46 номер основного исполнения NJ1038.
Производится брендами: CX, CYSD, ISO, NACHI, NSK, NTN.
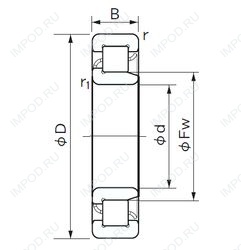
Однорядный цилиндрический роликоподшипник. Наружное кольцо имеет два борта, наружное — один борт.
Цена от:19 764 р.
Цена на подшипник зависит от:
| Обозначение | Модификация |
|---|---|
| NJ1038 M | Однорядный цилиндрический роликоподшипник. Наружное кольцо имеет два борта, наружное — один борт. M = массивный латунный сепаратор. |
| NJ 1038 ML | Однорядный цилиндрический роликоподшипник. Наружное кольцо имеет два борта, наружное — один борт. Механически обработанный латунный сепаратор оконного типа, центрируемый по внутреннему или наружному кольцу. |
Габаритные размеры
Размеры и геометрические характеристики
Нагрузка и ресурс
Защита
Конструкция и исполнение
Однорядный цилиндрический роликовый подшипник NU1038 (CX, CYSD, FAG, ISB, ISO)
Подшипник однорядный шариковый радиальный 6038 (CX, CYSD, FAG, ISO, KOYO)
Подшипник шариковый радиально-упорный 7038 (CYSD, KOYO, NACHI, NTN, SKF)
Подшипник роликовый радиальный с короткими цилиндрическими роликами без бортов на внутреннем кольце 32138
Однорядный цилиндрический роликовый подшипник NU1038 M1 (FAG)
Однорядный цилиндрический роликовый подшипник NU1038 M1.C3 (FAG)