Главная > Подшипники> Роликовые > Радиальные>NJ 1036

NJ 1036 — Цилиндрический роликоподшипник, импортное производство по ISO стандарту, размер 180x280x46 номер основного исполнения NJ1036.
Производится брендами: CX, CYSD, ISO, NACHI, NSK, NTN.
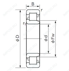
Однорядный цилиндрический роликоподшипник. Наружное кольцо имеет два борта, наружное — один борт.
Цена от:18 845 р.
Цена на подшипник зависит от:
| Обозначение | Модификация |
|---|---|
| NJ1036 M | Однорядный цилиндрический роликоподшипник. Наружное кольцо имеет два борта, наружное — один борт. M = массивный латунный сепаратор. |
| NJ 1036 ML | Однорядный цилиндрический роликоподшипник. Наружное кольцо имеет два борта, наружное — один борт. Механически обработанный латунный сепаратор оконного типа, центрируемый по внутреннему или наружному кольцу. |
Габаритные размеры
Размеры и геометрические характеристики
Нагрузка и ресурс
Защита
Конструкция и исполнение
Однорядный цилиндрический роликовый подшипник NU1036 (CX, CYSD, FAG, ISB, ISO)
Подшипник шариковый однорядный радиально-упорный 7036 (CYSD, KOYO, NACHI, NTN, SKF)
Подшипник шариковый радиальный однорядный 136
Подшипник роликовый радиальный с короткими цилиндрическими роликами без бортов на внутреннем кольце 32136
Подшипник шариковый однорядный радиально-упорный B7036 C.T.P4S.UL (FAG)