Главная > Подшипники> Роликовые > Радиальные>NJ 1026

NJ 1026 — Цилиндрический роликоподшипник, импортное производство по ISO стандарту, размер 130x200x33 номер основного исполнения NJ1026.
Производится брендами: CX, CYSD, ISO, NACHI, NSK, NTN.
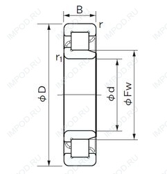
Однорядный цилиндрический роликоподшипник. Наружное кольцо имеет два борта, наружное — один борт.
Цена от:11 242 р.
Цена на подшипник зависит от:
| Обозначение | Модификация |
|---|---|
| NJ1026 M | Однорядный цилиндрический роликоподшипник. Наружное кольцо имеет два борта, наружное — один борт. M = массивный латунный сепаратор. |
| NJ1026ML | Однорядный цилиндрический роликоподшипник. Наружное кольцо имеет два борта, наружное — один борт. Механически обработанный латунный сепаратор оконного типа, центрируемый по внутреннему или наружному кольцу. |
Габаритные размеры
Размеры и геометрические характеристики
Нагрузка и ресурс
Защита
Конструкция и исполнение
Однорядный цилиндрический роликовый подшипник NU1026 (CX, CYSD, ISB, ISO, KOYO)
Подшипник шариковый однорядный радиально-упорный 7026 (CYSD, KOYO, NACHI, NTN, SKF)
Подшипник шариковый радиальный однорядный 126
Подшипник шариковый однорядный радиально-упорный HS7026 C.T.P4S.UL (FAG)
Подшипник шариковый однорядный радиально-упорный HS7026 E.T.P4S.UL (FAG)