Главная > Подшипники> Роликовые > Радиальные>NJ 1022

NJ 1022 — Однорядный цилиндрический роликовый подшипник, импортное производство по ISO стандарту, размер 110x170x28 номер основного исполнения NJ1022.
Производится брендами: CX, CYSD, ISO, NACHI, NSK, NTN.
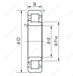
Однорядный цилиндрический роликоподшипник. Наружное кольцо имеет два борта, наружное — один борт.
Цена от:9 209 р.
Цена на подшипник зависит от:
Габаритные размеры
Размеры и геометрические характеристики
Нагрузка и ресурс
Защита
Конструкция и исполнение
Однорядный цилиндрический роликовый подшипник NU1022 (CX, CYSD, ISB, ISO, KOYO)
Подшипник однорядный шариковый радиальный 6022 (CRAFT, CX, CYSD, FAG, ISB)
Подшипник шариковый однорядный радиально-упорный 7022 (CYSD, KOYO, NACHI, NSK, NTN)
Подшипник шариковый радиальный однорядный 122
Подшипник шариковый однорядный радиально-упорный HS7022 C.T.P4S.UL (FAG)