Главная > Подшипники> Роликовые > Радиальные>NJ 1015

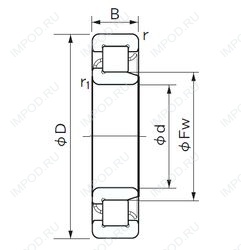
NJ 1015 — Цилиндрический роликоподшипник, импортное производство по ISO стандарту, размер 75x115x20 номер основного исполнения NJ1015.
Производится брендами: CX, CYSD, ISO, NACHI, NTN.
Однорядный цилиндрический роликоподшипник. Наружное кольцо имеет два борта, наружное — один борт.
Цена от:3 608 р.
Цена на подшипник зависит от:
Габаритные размеры
Размеры и геометрические характеристики
Нагрузка и ресурс
Защита
Конструкция и исполнение
Однорядный цилиндрический роликовый подшипник NU1015 (CX, CYSD, FBJ, ISB, ISO)
Подшипник шариковый радиально-упорный 7015 (CYSD, KOYO, NACHI, NTN, SKF)
Подшипник роликовый радиально-упорный конический однорядный 2007115
Подшипник шариковый радиальный 8115 (ГПЗ-4)