Главная > Подшипники> Роликовые > Радиальные>NJ 1013

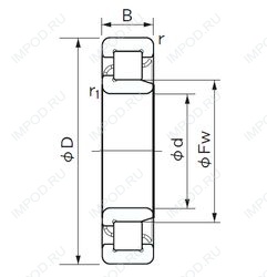
NJ 1013 — Цилиндрический роликоподшипник, импортное производство по ISO стандарту, размер 65x100x18 номер основного исполнения NJ1013.
Производится брендами: CX, CYSD, ISO, NACHI, NSK, NTN.
Однорядный цилиндрический роликоподшипник. Наружное кольцо имеет два борта, наружное — один борт.
Цена по запросу
Цена на подшипник зависит от:
Габаритные размеры
Размеры и геометрические характеристики
Нагрузка и ресурс
Защита
Конструкция и исполнение
Однорядный цилиндрический роликовый подшипник NU1013 (CX, CYSD, FBJ, ISB, ISO)
Подшипник однорядный шариковый радиальный 6013 (FAG, NIS)
Подшипник шариковый однорядный радиально-упорный HS7013 E.T.P4S.UL (FAG)
Однорядный цилиндрический роликовый подшипник NU1013 M (NKE)
Однорядный цилиндрический роликовый подшипник NU1013 M1 (FAG, NKE)