Главная > Подшипники> Роликовые > Радиальные>NJ 1012

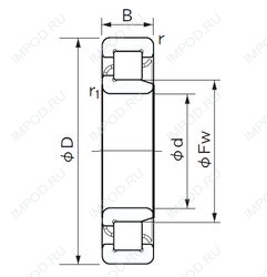
NJ 1012 — Цилиндрический роликоподшипник, импортное производство по ISO стандарту, размер 60x95x18 номер основного исполнения NJ1012.
Производится брендами: CX, CYSD, ISO, NACHI, NSK, NTN.
Однорядный цилиндрический роликоподшипник. Наружное кольцо имеет два борта, наружное — один борт.
Цена от:3 116 р.
Цена на подшипник зависит от:
Габаритные размеры
Размеры и геометрические характеристики
Нагрузка и ресурс
Защита
Конструкция и исполнение
Однорядный цилиндрический роликовый подшипник NU1012 (CX, CYSD, FBJ, ISB, ISO)
Подшипник шариковый однорядный радиально-упорный 7012 (CYSD, IBC, KOYO, NACHI, NTN)
Подшипник шариковый радиальный однорядный 112
Подшипник шариковый радиальный 8112 (ГПЗ-4)