Главная > Подшипники> Роликовые > Радиальные>NJ 1011

NJ 1011 — Цилиндрический роликоподшипник, импортное производство по ISO стандарту, размер 55x90x18 номер основного исполнения NJ1011.
Производится брендами: CX, CYSD, ISO, NACHI, NSK, NTN.
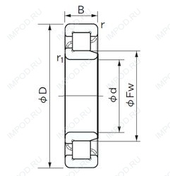
Однорядный цилиндрический роликоподшипник. Наружное кольцо имеет два борта, наружное — один борт.
Цена от:2 999 р.
Цена на подшипник зависит от:
| Обозначение | Модификация |
|---|---|
| NJ1011ECP | Однорядный цилиндрический роликоподшипник. Наружное кольцо имеет два борта, наружное — один борт. ЕС = эксцентриковый фиксатор воротника с утопленным внутренним кольцом на одной стороне. |
Габаритные размеры
Размеры и геометрические характеристики
Нагрузка и ресурс
Защита
Конструкция и исполнение
Однорядный цилиндрический роликовый подшипник NU1011 (CX, CYSD, FBJ, ISB, ISO)
Подшипник однорядный шариковый радиальный 6011 (FAG, NIS)
Подшипник шариковый однорядный радиально-упорный B7011 E.T.P4S.UL (FAG)