Главная > Подшипники> Роликовые > Радиальные>NJ 1008

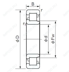
NJ 1008 — Цилиндрический роликоподшипник, импортное производство по ISO стандарту, размер 40x68x15 номер основного исполнения NJ1008.
Производится брендами: CX, CYSD, ISO, NACHI, NSK, NTN.
Однорядный цилиндрический роликоподшипник. Наружное кольцо имеет два борта, наружное — один борт.
Цена по запросу
Цена на подшипник зависит от:
Габаритные размеры
Размеры и геометрические характеристики
Нагрузка и ресурс
Защита
Конструкция и исполнение
Однорядный цилиндрический роликовый подшипник NU1008 (CX, CYSD, FAG, FBJ, ISB)
Подшипник шариковый радиальный однорядный 108
Подшипник шариковый радиальный однорядный 8108
Подшипник шариковый радиально-упорный 746108 (ГПЗ-2)