Главная > Подшипники> Роликовые > Радиальные>NJ 1005

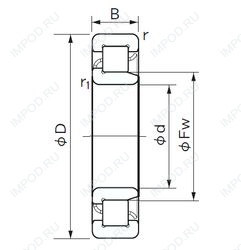
NJ 1005 — Цилиндрический роликоподшипник, импортное производство по ISO стандарту, размер 25x47x12 номер основного исполнения NJ1005.
Производится брендами: CX, ISO, NACHI, NTN.
Однорядный цилиндрический роликоподшипник. Наружное кольцо имеет два борта, наружное — один борт.
Цена по запросу
Цена на подшипник зависит от:
Габаритные размеры
Размеры и геометрические характеристики
Нагрузка и ресурс
Защита
Конструкция и исполнение
Подшипник шариковый однорядный радиально-упорный 7005 (CYSD, FAG, KOYO, NACHI, NTN)
Подшипник шариковый радиальный однорядный с двухсторонним уплотнением 180105
Подшипник шариковый радиальный однорядный 105
Подшипник шариковый радиальный однорядный 60105
Подшипник шариковый радиальный однорядный с двумя защитными шайбами 80105