Главная > Подшипники> Роликовые > Радиальные>NF 422

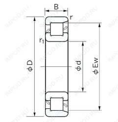
NF 422 — Однорядный цилиндрический роликовый подшипник, импортное производство по ISO стандарту, размер 110x280x65 номер основного исполнения NF422.
Производится брендами: CX, ISO, KOYO, NACHI, NIS.
Внутреннем кольце с двойным фланцем, внешнее с одним.
Цена по запросу
Цена на подшипник зависит от:
Габаритные размеры
Размеры и геометрические характеристики
Нагрузка и ресурс
Защита
Присоединительные размеры
Конструкция и исполнение
Прочие характеристики
Подшипник роликовый радиальный с короткими цилиндрическими роликами с однобортовым внутренним кольцом 42422
Подшипник роликовый радиальный с короткими цилиндрическими роликами без бортов на внутреннем кольце 32422
Подшипник роликовый радиальный 62422
Подшипник роликовый радиальный с короткими цилиндрическими роликами без бортов на наружном кольце 2422
Подшипник роликовый радиальный с короткими цилиндрическими роликами с однобортовым внутренним кольцом 30-42422 М (ГПЗ-1)
Подшипник роликовый радиальный с короткими цилиндрическими роликами без бортов на внутреннем кольце 32422 М