Главная > Подшипники> Роликовые > Радиальные>NF 420

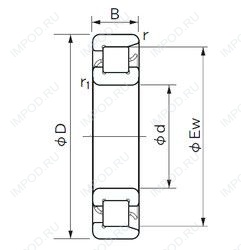
NF 420 — Однорядный цилиндрический роликовый подшипник, импортное производство по ISO стандарту, размер 100x250x58 номер основного исполнения NF420.
Производится брендами: CX, FBJ, ISO, KOYO, NACHI, NIS, NSK.
Внутреннем кольце с двойным фланцем, внешнее с одним.
Цена по запросу
Цена на подшипник зависит от:
Габаритные размеры
Размеры и геометрические характеристики
Нагрузка и ресурс
Защита
Присоединительные размеры
Конструкция и исполнение
Прочие характеристики
Подшипник роликовый радиальный с короткими цилиндрическими роликами с однобортовым внутренним кольцом 42420
Подшипник роликовый радиальный с короткими цилиндрическими роликами без бортов на наружном кольце 2420
Подшипник роликовый радиальный с короткими цилиндрическими роликами без бортов на внутреннем кольце 32420
Подшипник роликовый радиальный с короткими цилиндрическими роликами с однобортовым внутренним кольцом 42420 М
Подшипник роликовый радиальный 62420
Подшипник роликовый радиальный 8-42420 М (ГПЗ-1)