Главная > Подшипники> Шариковые> Упорные>NF 3084 ECMB

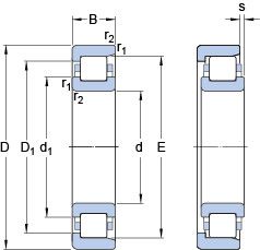
NF 3084 ECMB — Однорядный цилиндрический роликоподшипник, импортное производство по ISO стандарту, размер 620x420x150 номер основного исполнения NF3084.
Производитель: SKF.
Внутреннем кольце с двойным фланцем, внешнее с одним.
EC = Оптимизированная внутренняя конструкция, включающая больше и / или более крупные ролики и с модифицированным контактом ролика / концевого фланца. M = Механически обработанный латунный сепаратор, центрируемый по роликам.
Цена по запросу
Цена на подшипник зависит от:
| Обозначение | Модификация |
|---|---|
| NF3084 | Основное конструктивное исполнение. |
Габаритные размеры
Размеры и геометрические характеристики
Нагрузка и ресурс
Коэффициенты для расчета
Присоединительные размеры
Прочие характеристики
Тороидальный роликовый подшипник CARB C 3084 KM (SKF)
Однорядный бессепараторный цилиндрический роликоподшипник NCF 3084 CV (SKF)
Подшипник роликовый сферический 23084 CAK/W33 (NIS, SKF)
Подшипник роликовый сферический 23084 CA/W33 (NIS, SKF)
Однорядный цилиндрический роликоподшипник NU 3084 ECMA (SKF)