Главная > Подшипники> Шариковые> Упорные>NF 28/1000 ECMP/HA1

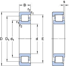
NF 28/1000 ECMP/HA1 — Однорядный цилиндрический роликоподшипник, импортное производство по ISO стандарту, размер 1220x1000x128 номер основного исполнения .
Производитель: SKF.
Внутреннем кольце с двойным фланцем, внешнее с одним.
EC = Оптимизированная внутренняя конструкция, включающая больше и / или более крупные ролики и с модифицированным контактом ролика / концевого фланца. M = Механически обработанный латунный сепаратор, центрируемый по роликам.
Цена по запросу
Цена на подшипник зависит от:
Габаритные размеры
Размеры и геометрические характеристики
Нагрузка и ресурс
Коэффициенты для расчета
Присоединительные размеры
Прочие характеристики