Главная > Подшипники> Роликовые > Радиальные>NF 264

NF 264 — Цилиндрический роликоподшипник, импортное производство по ISO стандарту, размер 320x580x92 номер основного исполнения NF264.
Производится брендами: ISO, KOYO, NACHI, NTN.
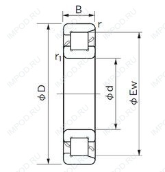
Внутреннем кольце с двойным фланцем, внешнее с одним.
Цена по запросу
Цена на подшипник зависит от:
| Обозначение | Модификация |
|---|---|
| NF264 E | Внутреннем кольце с двойным фланцем, внешнее с одним. Е = Увеличенная грузоподъемность. |
Габаритные размеры
Размеры и геометрические характеристики
Нагрузка и ресурс
Защита
Присоединительные размеры
Конструкция и исполнение
Подшипник роликовый радиальный с короткими цилиндрическими роликами без бортов на наружном кольце 2264
Подшипник роликовый радиальный с короткими цилиндрическими роликами с однобортовым внутренним кольцом 42264
Подшипник роликовый радиальный с короткими цилиндрическими роликами с однобортовым внутренним кольцом и с плоским упорным кольцом 92264
Подшипник шариковый радиально-упорный однорядный с разъемным наружным кольцом с четырехточечным контактом 116264
Подшипник шариковый радиально-упорный однорядный с разъемным внутренним кольцом с четырехточечным контактом 176264
Подшипник шариковый радиальный 6264 (CX, ISO, KOYO, NSK, NTN)