Главная > Подшипники> Роликовые > Радиальные>NF 1092

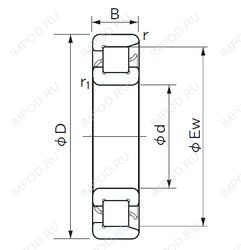
NF 1092 — Цилиндрический роликоподшипник, импортное производство по ISO стандарту, размер 460x680x100 номер основного исполнения NF1092.
Производитель: NACHI.
Внутреннем кольце с двойным фланцем, внешнее с одним.
Цена по запросу
Цена на подшипник зависит от:
Габаритные размеры
Размеры и геометрические характеристики
Нагрузка и ресурс
Защита
Присоединительные размеры
Конструкция и исполнение
Подшипник роликовый радиальный с короткими цилиндрическими роликами без бортов на наружном кольце 2192
Подшипник роликовый радиальный с короткими цилиндрическими роликами без бортов на внутреннем кольце 32192 (ГПЗ-9)
Подшипник роликовый радиальный 6-32192 (ГПЗ-9)
Подшипник роликовый радиально-упорный 7192М
Радиальный шарикоподшипник 6092 (KOYO, NSK, NTN)
Подшипник однорядный шариковый радиальный 6092-M (NKE)