Главная > Подшипники> Роликовые > Радиальные>NF 1080

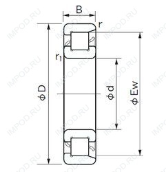
NF 1080 — Цилиндрический роликоподшипник, импортное производство по ISO стандарту, размер 400x600x90 номер основного исполнения NF1080.
Производитель: NACHI.
Внутреннем кольце с двойным фланцем, внешнее с одним.
Цена по запросу
Цена на подшипник зависит от:
Габаритные размеры
Размеры и геометрические характеристики
Нагрузка и ресурс
Защита
Присоединительные размеры
Конструкция и исполнение
Подшипник роликовый радиальный с короткими цилиндрическими роликами без бортов на наружном кольце 2180
Подшипник роликовый радиальный с короткими цилиндрическими роликами без бортов на внутреннем кольце 32180
Подшипник роликовый радиально-упорный 7180М
Подшипник шариковый радиальный 6080 (CX, ISO, KOYO, NIS, NSK)
Подшипник однорядный шариковый радиальный 6080 M (ISB, NKE, SKF)
Радиальный шарикоподшипник 9180K (TIMKEN)