Главная > Подшипники> Роликовые > Радиальные>NF 1072

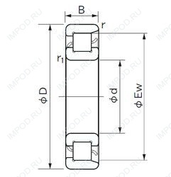
NF 1072 — Цилиндрический роликоподшипник, импортное производство по ISO стандарту, размер 360x495x82 номер основного исполнения NF1072.
Производится брендами: NACHI, NSK.
Внутреннем кольце с двойным фланцем, внешнее с одним.
Цена от:87 308 р.
Цена на подшипник зависит от:
Габаритные размеры
Размеры и геометрические характеристики
Нагрузка и ресурс
Защита
Присоединительные размеры
Конструкция и исполнение