Главная > Подшипники> Роликовые > Радиальные>NF 1052

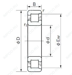
NF 1052 — Цилиндрический роликоподшипник, импортное производство по ISO стандарту, размер 260x364x65 номер основного исполнения NF1052.
Производится брендами: NACHI, NSK.
Внутреннем кольце с двойным фланцем, внешнее с одним.
Цена по запросу
Цена на подшипник зависит от:
Габаритные размеры
Размеры и геометрические характеристики
Нагрузка и ресурс
Защита
Присоединительные размеры
Конструкция и исполнение