Главная > Подшипники> Роликовые > Радиальные>NF 1048

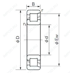
NF 1048 — Цилиндрический роликоподшипник, импортное производство по ISO стандарту, размер 240x360x56 номер основного исполнения NF1048.
Производитель: NACHI.
Внутреннем кольце с двойным фланцем, внешнее с одним.
Цена по запросу
Цена на подшипник зависит от:
Габаритные размеры
Размеры и геометрические характеристики
Нагрузка и ресурс
Защита
Присоединительные размеры
Конструкция и исполнение
Однорядный цилиндрический роликовый подшипник NU1048 (CX, FAG, ISB, ISO, KOYO)
Подшипник шариковый однорядный радиально-упорный 7048 (FAG, KOYO, NTN)
Подшипник шариковый радиальный однорядный 148
Однорядный цилиндрический роликовый подшипник NU1048 M1 (FAG)
Однорядный цилиндрический роликовый подшипник NU1048 ML.C3 (FAG)