Главная > Подшипники> Роликовые > Радиальные>NF 1044

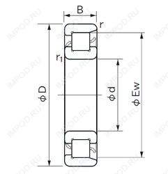
NF 1044 — Цилиндрический роликоподшипник, импортное производство по ISO стандарту, размер 220x340x56 номер основного исполнения NF1044.
Производитель: NACHI.
Внутреннем кольце с двойным фланцем, внешнее с одним.
Цена по запросу
Цена на подшипник зависит от:
Габаритные размеры
Размеры и геометрические характеристики
Нагрузка и ресурс
Защита
Присоединительные размеры
Конструкция и исполнение
Однорядный цилиндрический роликовый подшипник NU1044 (CX, FAG, ISB, ISO, KOYO)
Подшипник однорядный шариковый радиальный 6044 (CX, FAG, ISO, KOYO, NACHI)
Радиально-упорный шарикоподшипник 7044 (KOYO, NTN, SKF)
Подшипник шариковый радиальный однорядный 144 (ГПЗ-1)
Подшипник шариковый радиально-упорный однорядный с разъемным внутренним кольцом с четырехточечным контактом 176144
Подшипник роликовый радиальный с короткими цилиндрическими роликами без бортов на внутреннем кольце 32144