Главная > Подшипники> Роликовые > Радиальные>NF 1038

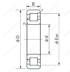
NF 1038 — Цилиндрический роликоподшипник, импортное производство по ISO стандарту, размер 190x290x46 номер основного исполнения NF1038.
Производитель: NACHI.
Внутреннем кольце с двойным фланцем, внешнее с одним.
Цена по запросу
Цена на подшипник зависит от:
Габаритные размеры
Размеры и геометрические характеристики
Нагрузка и ресурс
Защита
Присоединительные размеры
Конструкция и исполнение
Однорядный цилиндрический роликовый подшипник NU1038 (CX, CYSD, FAG, ISB, ISO)
Подшипник однорядный шариковый радиальный 6038 (CX, CYSD, FAG, ISO, KOYO)
Подшипник шариковый радиально-упорный 7038 (CYSD, KOYO, NACHI, NTN, SKF)
Подшипник роликовый радиальный с короткими цилиндрическими роликами без бортов на внутреннем кольце 32138
Однорядный цилиндрический роликовый подшипник NU1038 M1 (FAG)
Однорядный цилиндрический роликовый подшипник NU1038 M1.C3 (FAG)