Главная > Подшипники> Роликовые > Радиальные>NF 1022

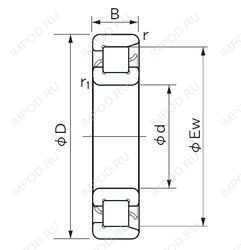
NF 1022 — Цилиндрический роликоподшипник, импортное производство по ISO стандарту, размер 110x155x28 номер основного исполнения NF1022.
Производится брендами: NACHI, NSK.
Внутреннем кольце с двойным фланцем, внешнее с одним.
Цена по запросу
Цена на подшипник зависит от:
Габаритные размеры
Размеры и геометрические характеристики
Нагрузка и ресурс
Защита
Присоединительные размеры
Конструкция и исполнение
Цилиндрический роликоподшипник N 1022 (KOYO, NACHI, NTN)
Цилиндрический роликоподшипник N1022BMR1KR (NSK)
Цилиндрический роликоподшипник N1022BMR1 (NSK)