Главная > Подшипники> Роликовые > Радиальные>NF 1021

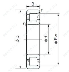
NF 1021 — Цилиндрический роликоподшипник, импортное производство по ISO стандарту, размер 105x160x26 номер основного исполнения NF1021.
Производится брендами: NACHI, NSK, NTN.
Внутреннем кольце с двойным фланцем, внешнее с одним.
Цена по запросу
Цена на подшипник зависит от:
Габаритные размеры
Размеры и геометрические характеристики
Нагрузка и ресурс
Защита
Присоединительные размеры
Конструкция и исполнение
Однорядный цилиндрический роликовый подшипник NU1021 (CX, CYSD, ISB, ISO, KOYO)
Подшипник шариковый радиально-упорный 7021 (CYSD, KOYO, NACHI, NSK, NTN)
Подшипник шариковый однорядный радиально-упорный HS7021 C.T.P4S.UL (FAG)
Подшипник шариковый однорядный радиально-упорный HS7021 E.T.P4S.UL (FAG)