Главная > Подшипники> Роликовые > Радиальные>NF 1013

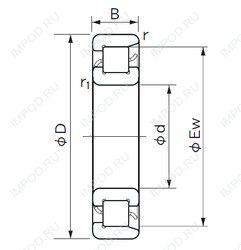
NF 1013 — Цилиндрический роликоподшипник, импортное производство по ISO стандарту, размер 65x90x18 номер основного исполнения NF1013.
Производится брендами: NACHI, NSK.
Внутреннем кольце с двойным фланцем, внешнее с одним.
Цена по запросу
Цена на подшипник зависит от:
Габаритные размеры
Размеры и геометрические характеристики
Нагрузка и ресурс
Защита
Присоединительные размеры
Конструкция и исполнение
Роликовый цилиндрический упорный подшипник 81113 (CX, INA, ISO, NIS, NTN)
Подшипник упорный шариковый одинарный 8113
Подшипник упорный шариковый одинарный 2-8113 (ГПЗ-2)
Подшипник упорный шариковый одинарный 5-8113 (ГПЗ-2)
Подшипник упорный шариковый одинарный 6-8113 (ГПЗ-2)
Подшипник упорный шариковый одинарный 8113 К