Главная > Подшипники> Роликовые > Радиальные>NF 10/500

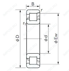
NF 10/500 — Цилиндрический роликоподшипник, импортное производство по ISO стандарту, размер 500x720x100 номер основного исполнения .
Производится брендами: CX, ISO, NACHI.
Внутреннем кольце с двойным фланцем, внешнее с одним.
Цена по запросу
Цена на подшипник зависит от:
Габаритные размеры
Размеры и геометрические характеристики
Нагрузка и ресурс
Защита
Присоединительные размеры
Конструкция и исполнение
Подшипник шариковый радиальный 1/500 АЛ
Подшипник шариковый радиальный 70-1/500 АЛ (ГПЗ-1)
Подшипник роликовый радиальный с короткими цилиндрическими роликами без бортов на наружном кольце 21/500
Подшипник роликовый радиальный с короткими цилиндрическими роликами без бортов на внутреннем кольце 321/500
Подшипник роликовый радиально-упорный 71/500М
Подшипник роликовый радиально-упорный конический двухрядный 971/500 М (ГПЗ-9)