Главная > Подшипники> Шариковые> Упорные>NB1.25.1534.400-1PPN

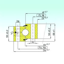
NB1.25.1534.400-1PPN — Подшипник шариковый опорно-поворотный, импортное производство по ISO стандарту, размер 1449x1619x68 номер основного исполнения .
Производитель: ISB.
P = Литой сепаратор из стеклонаполненного полиамида 6,6, центрируемый по телам качения.
Цена по запросу
Цена на подшипник зависит от:
Габаритные размеры
Размеры и геометрические характеристики
Защита
Конструкция и исполнение
Другие размеры