Главная > Подшипники> Комбинированные>NAXR50

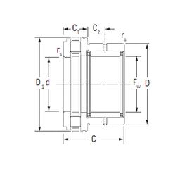
NAXR50 — Подшипник комбинированный, импортное производство по ISO стандарту основное исполнение.
Производится брендами: KOYO, TIMKEN.
R = Наружное кольцо с фланцем .
Цена по запросу
Цена на подшипник зависит от:
Габаритные размеры
Размеры и геометрические характеристики
Нагрузка и ресурс
Защита
Присоединительные размеры
Конструкция и исполнение
Роликовый игольчатый подшипник RNAO50x62x20 (CX, INA, ISO, KOYO, NBS)
Роликовый игольчатый подшипник K50X58X35H (KOYO, TIMKEN)
Игольчатый роликоподшипник K50X62X30H.ZB2 (TIMKEN)
Подшипник игольчатый радиальный RNAF506220 (IKO, JNS, NSK)
Роликовый игольчатый подшипник RNAFW 506240 (IKO, JNS, NSK)