Главная > Подшипники> Комбинированные>NAXR45TN

NAXR45TN — Роликовый игольчатый подшипник, импортное производство по ISO стандарту номер основного исполнения .
Производится брендами: KOYO, TIMKEN.
TN = Полиамидная клетка.
Цена по запросу
Цена на подшипник зависит от:
Габаритные размеры
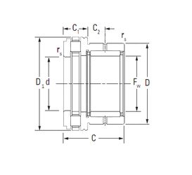
Размеры и геометрические характеристики
Нагрузка и ресурс
Защита
Присоединительные размеры
Конструкция и исполнение
Подшипник шариковый из нержавеющей стали S61809-2RS (ZEN)
Радиальный шарикоподшипник S61809 (ZEN)
Игольчатый роликоподшипник PK45X58X21.8 (NTN)
Роликовый игольчатый подшипник NAXK45 (KOYO)
Роликовый игольчатый подшипник NAXK45Z (KOYO)
Роликовый игольчатый подшипник NAXR45Z.TN (KOYO, TIMKEN)