Главная > Подшипники> Комбинированные>NAXR40

NAXR40 — Подшипник комбинированный, импортное производство по ISO стандарту основное исполнение.
Производится брендами: KOYO, TIMKEN.
R = Наружное кольцо с фланцем .
Цена по запросу
Цена на подшипник зависит от:
| Обозначение | Модификация |
|---|---|
| NAXR40.Z | R = Наружное кольцо с фланцем . |
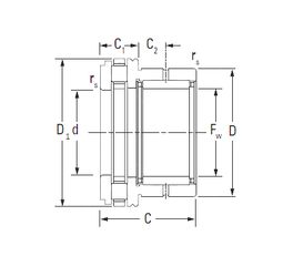
Габаритные размеры
Размеры и геометрические характеристики
Нагрузка и ресурс
Защита
Присоединительные размеры
Конструкция и исполнение
Подшипник шариковый упорный 1008908 Ю1 (ГПЗ-2)
Подшипник шариковый из нержавеющей стали S61808-2RS (ZEN)
Подшипник шариковый из нержавеющей стали S61808 (ZEN)
Подшипник игольчатый радиальный KTW 405238 (IKO)
Игольчатый роликоподшипник PK40X52X17.8 (NTN)
Игольчатый роликоподшипник RNA69/32R (NTN)