Главная > Подшипники> Комбинированные>NAXR30TN

NAXR30TN — Роликовый игольчатый подшипник, импортное производство по ISO стандарту номер основного исполнения .
Производится брендами: KOYO, TIMKEN.
TN = Полиамидная клетка.
Цена по запросу
Цена на подшипник зависит от:
Габаритные размеры
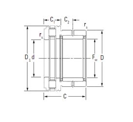
Размеры и геометрические характеристики
Нагрузка и ресурс
Защита
Присоединительные размеры
Конструкция и исполнение
Подшипник игольчатый радиальный 664706Е3
Подшипник игольчатый радиальный 864906KЕ (МПЗ)
Подшипник шариковый из нержавеющей стали S61806-2RS (ZEN)
Подшипник шариковый из нержавеющей стали S61806 (ZEN)
Радиальный шарикоподшипник S61806-2Z (ZEN)
Роликовый игольчатый подшипник RNAO30x42x32 (CX, ISO, KOYO, SKF, TIMKEN)