Главная > Подшипники> Комбинированные>NAXR20TN

NAXR20TN — Роликовый игольчатый подшипник, импортное производство по ISO стандарту номер основного исполнения .
Производится брендами: KOYO, TIMKEN.
TN = Полиамидная клетка.
Цена по запросу
Цена на подшипник зависит от:
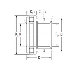
Габаритные размеры
Размеры и геометрические характеристики
Нагрузка и ресурс
Защита
Присоединительные размеры
Конструкция и исполнение
Подшипник игольчатый радиальный K203019PC (KBC)
Игольчатый роликоподшипник PK20X30X21.8 (NTN)